Podłączenie halogenów w samochodzie może wydawać się skomplikowane, ale z odpowiednią wiedzą i przygotowaniem jest to zadanie, które można wykonać samodzielnie. Bezpieczeństwo i precyzja to kluczowe elementy, które pozwolą uniknąć błędów i uszkodzeń. W tym artykule dowiesz się, jak krok po kroku podłączyć halogeny, korzystając z prostych wskazówek i praktycznych porad.
Warto pamiętać, że nieprawidłowe podłączenie może prowadzić do uszkodzenia żarówek lub nawet układu elektrycznego w samochodzie. Dlatego tak ważne jest, aby dokładnie zapoznać się ze schematem podłączenia oraz użyć odpowiednich narzędzi. Przedstawimy również, jak uniknąć najczęstszych błędów, aby cały proces przebiegł sprawnie i bezpiecznie. Kluczowe wnioski:
- Przed rozpoczęciem pracy upewnij się, że masz wszystkie niezbędne narzędzia i materiały.
- Znajdź schemat podłączenia halogenów dla swojego modelu samochodu w instrukcji obsługi lub internecie.
- Podczas podłączania halogenów upewnij się, że światła postojowe są włączone, aby uniknąć uszkodzenia żarówek.
- Zwracaj uwagę na biegunowość przy podłączaniu żarówek do gniazd w reflektorach.
- Po podłączeniu sprawdź poprawność działania świateł, aby upewnić się, że wszystko działa prawidłowo.
Jak przygotować się do podłączenia halogenów w samochodzie
Przed rozpoczęciem pracy nad podłączeniem halogenów w samochodzie, warto zgromadzić wszystkie niezbędne narzędzia i materiały. Potrzebny będzie zestaw kluczy, śrubokręt, taśma izolacyjna, a także nowe żarówki halogenowe. Bez odpowiedniego przygotowania, cały proces może okazać się frustrujący i czasochłonny.
Kolejnym krokiem jest zapoznanie się z instrukcją obsługi swojego samochodu. Znajdziesz tam informacje o układzie elektrycznym oraz schematy, które ułatwią podłączenie halogenów. Jeśli nie masz dostępu do instrukcji, warto poszukać jej w internecie – wiele modeli ma dostępne dokumentacje online.
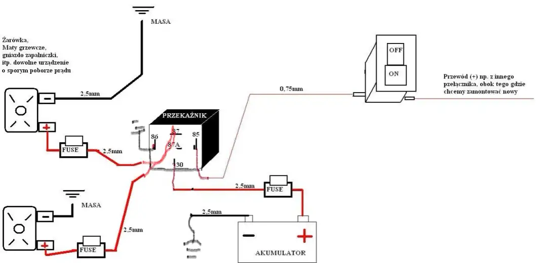
Schemat podłączenia halogenów – jak go znaleźć i zrozumieć
Schemat podłączenia halogenów to klucz do sukcesu. Można go znaleźć w instrukcji obsługi samochodu, na forach motoryzacyjnych lub w serwisach z dokumentacją techniczną. Dzięki niemu dowiesz się, które kable odpowiadają za zasilanie, a które za masę.
| Model samochodu | Kolor kabla zasilającego | Kolor kabla masowego |
| Ford Focus | Czerwony | Czarny |
| Opel Astra | Żółty | Brązowy |
| Volkswagen Golf | Niebieski | Szary |
Dlaczego warto sprawdzić biegunowość przed podłączeniem
Nieprawidłowe podłączenie biegunów może prowadzić do uszkodzenia żarówek lub nawet całego układu elektrycznego. To częsty błąd, który generuje niepotrzebne koszty i frustrację. Dlatego przed rozpoczęciem pracy warto dokładnie sprawdzić, który kabel jest zasilający, a który masowy.
Do sprawdzenia biegunowości możesz użyć multimetru lub prostego testera. Wystarczy podłączyć go do kabli i sprawdzić, czy wskazania są zgodne ze schematem. Pamiętaj, że podłączenie halogenów w samochodzie wymaga precyzji, a sprawdzenie biegunowości to kluczowy krok.
Czytaj więcej: Jak łatwo dorobić kluczyk do samochodu? Kluczyki mechaniczne, z immobilizerem i pilotem - rodzaje i ceny
Krok po kroku – jak podłączyć halogeny bez błędów
Podłączenie halogenów w samochodzie wymaga precyzji i cierpliwości. Zacznij od odłączenia akumulatora, aby uniknąć zwarć. Następnie zdejmij osłonę reflektora, aby uzyskać dostęp do gniazd żarówek.
Kolejnym krokiem jest podłączenie nowych żarówek do odpowiednich gniazd. Upewnij się, że kable są dobrze zamocowane, a biegunowość jest prawidłowa. Po podłączeniu, zamontuj osłonę reflektora i podłącz akumulator, aby sprawdzić, czy wszystko działa.
Ostatnim etapem jest testowanie świateł. Włącz halogeny i upewnij się, że świecą równomiernie i bez migotania. Jeśli wszystko działa poprawnie, możesz cieszyć się lepszym oświetleniem drogi.
- Odłącz akumulator przed rozpoczęciem pracy.
- Zdejmij osłonę reflektora i uzyskaj dostęp do gniazd żarówek.
- Podłącz nowe żarówki, zwracając uwagę na biegunowość.
- Zamontuj osłonę reflektora i podłącz akumulator.
- Przetestuj działanie świateł przed zakończeniem pracy.
Jak uniknąć uszkodzenia żarówek podczas podłączania
Jednym z najczęstszych problemów przy podłączaniu halogenów jest uszkodzenie żarówek. Aby tego uniknąć, zawsze upewnij się, że światła postojowe są włączone podczas pracy. Dzięki temu unikniesz przepięć, które mogą zniszczyć nowe żarówki.
Pamiętaj również, aby nie dotykać szklanej części żarówki gołymi rękami. Tłuszcz z palców może spowodować nierównomierne nagrzewanie się żarówki, co skróci jej żywotność. Używaj rękawiczek lub chusteczki podczas montażu.

Najczęstsze błędy przy podłączaniu halogenów i jak ich uniknąć
Wiele osób popełnia błędy przy podłączaniu halogenów w samochodzie, co prowadzi do dodatkowych kosztów i frustracji. Jednym z najczęstszych błędów jest pominięcie sprawdzenia biegunowości, co może skutkować uszkodzeniem żarówek lub układu elektrycznego.
Innym problemem jest nieprawidłowe zamocowanie żarówek w gniazdach. Jeśli żarówka nie jest dobrze osadzona, może migotać lub w ogóle nie działać. Dlatego zawsze upewnij się, że żarówka jest stabilnie zamontowana przed zakończeniem pracy.
- Nie sprawdzanie biegunowości przed podłączeniem.
- Niedokładne zamocowanie żarówek w gniazdach.
- Dotykanie szklanej części żarówki gołymi rękami.
- Pominięcie testowania świateł przed zakończeniem pracy.
- Nieodłączanie akumulatora przed rozpoczęciem pracy.
Bezpieczne i skuteczne podłączenie halogenów w samochodzie
Podczas podłączania halogenów w samochodzie kluczowe jest zachowanie ostrożności i precyzji. Jak pokazaliśmy, odłączenie akumulatora przed rozpoczęciem pracy oraz sprawdzenie biegunowości to podstawowe kroki, które minimalizują ryzyko uszkodzeń. Bez tych działań można narazić się na kosztowne błędy, takie jak przepięcia czy uszkodzenie żarówek.
Warto również pamiętać, że prawidłowe zamocowanie żarówek i unikanie dotykania ich szklanej części gołymi rękami to proste, ale istotne zasady. Dzięki nim można znacznie przedłużyć żywotność halogenów. Testowanie świateł po zakończeniu pracy to kolejny niezbędny krok, który pozwala upewnić się, że wszystko działa poprawnie.
Jeśli nie jesteśmy pewni swoich umiejętności, warto skonsultować się z mechanikiem. Profesjonalna pomoc może zaoszczędzić czas, pieniądze i nerwy, a także zapewnić, że podłączenie halogenów będzie bezpieczne i skuteczne.




