
3 must-have produkty w zestawie do czyszczenia skóry. Odśwież!
Poznaj 3 kluczowe produkty w zestawie do czyszczenia skóry. Dowiedz się, jak skutecznie odświeżyć cerę i zadbać o jej zdrowy wygląd. Sprawdź, co powinno znaleźć się w Twojej kosmetyczce!

Poznaj 3 kluczowe produkty w zestawie do czyszczenia skóry. Dowiedz się, jak skutecznie odświeżyć cerę i zadbać o jej zdrowy wygląd. Sprawdź, co powinno znaleźć się w Twojej kosmetyczce!

Poznaj objawy awarii zaworu klimatyzacji w samochodzie. Nieszczelności, dziwne dźwięki, spadek wydajności - dowiedz się, kiedy interweniować. Zadbaj o komfort jazdy i uniknij kosztownych napraw.

Sprawdź, jakie 7 kluczowych narzędzi powinien zawierać wózek narzędziowy z wyposażeniem. Od podstawowych po specjalistyczne - kompletny przegląd niezbędnego sprzętu do Twojego warsztatu.

Dowiedz się, czy regeneracja wtryskiwacza piezoelektrycznego to opłacalne rozwiązanie. Poznaj fakty, koszty i korzyści regeneracji wtryskiwaczy piezoelektrycznych dla Twojego silnika.

Poznaj fakty i mity o uszczelniaczu w płynie do wspomagania. Dowiedz się, kiedy może pomóc, a kiedy zaszkodzić. Praktyczne porady i opinie ekspertów dla kierowców.

Poznaj skuteczne metody uszczelniania klimatyzacji i dowiedz się, jak dbać o uszczelki. Profesjonalne porady, domowe sposoby i najlepsze uszczelniacze do klimatyzacji. Zadbaj o komfort i oszczędność!

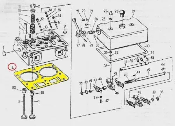
Sprawdź, czy uszczelka pod głowicę C330 w Twoim ciągniku wymaga wymiany. Poznaj objawy zużycia, metody diagnostyki i sposoby zapobiegania awariom. Zadbaj o wydajność swojego Ursusa!

Poznaj 7 niebezpiecznych oznak uszkodzenia uchwytu drzwi w Twoim aucie. Dowiedz się, jak rozpoznać problemy i zapewnić bezpieczeństwo sobie i pasażerom podczas jazdy.

Czy wymiana tłumika środkowego rzeczywiście poprawia osiągi? Poznaj fakty i mity związane z modyfikacją układu wydechowego. Dowiedz się, jak wpływa na moc i dźwięk silnika.

Odkryj 7 nieoczywistych zastosowań tulei gwintowanej w Twoim samochodzie. Od poprawy komfortu jazdy po zwiększenie mocy silnika - te małe elementy mogą zdziałać cuda!

Zawór szybkiego spustu rewolucjonizuje procesy w przemyśle, rolnictwie i budownictwie. Dowiedz się, jak to innowacyjne rozwiązanie może skrócić czas obsługi o połowę i zwiększyć efektywność pracy.

Sprawdź szczegółowe informacje na temat wyglądu i designu tyłu Audi A3 - poznaj rozmiary, lampy i pojemność bagażnika tego modelu. Dowiedz się więcej o kluczowych cechach tylnej części Audi A3.

Naucz się samodzielnie wymieniać szybkozłącze przewodu paliwowego. Oszczędzaj czas i pieniądze, wykonując tę prostą naprawę krok po kroku. Poznaj typy złączy i techniki montażu.

Odkryj, jak skutecznie naprawić skorodowaną karoserię szpachlówką epoksydową. Poznaj techniki aplikacji, narzędzia i porady ekspertów. Uratuj swój samochód przed korozją już dziś!

Poznaj 5 kluczowych sygnałów, które wskazują na potrzebę szlifu wału korbowego. Dowiedz się, jak uratować silnik przed poważną awarią i przedłużyć jego żywotność. Nie przegap tych objawów!

Art. 59 KC to przepis chroniący interesy osób trzecich przed skutkami umów. Poznaj przesłanki bezskuteczności względnej umowy, różnice ze skargą pauliańską i procedurę dochodzenia roszczeń.

Poznaj unikalne zastosowania szczypiec czołowych w precyzyjnych pracach. Od elektroniki po jubilerstwo - dowiedz się, dlaczego to narzędzie jest niezastąpione w wielu dziedzinach.

Dowiedz się, jak naprawić szczęki hamulcowe C330 w 4 prostych krokach. Poznaj objawy zużycia, narzędzia potrzebne do naprawy i jak prawidłowo założyć szczęki. Zapewnij bezpieczeństwo swojemu ciągnikowi.

Poznaj sekrety wyboru idealnej szczotki do mycia samochodu. Dowiedz się, jak bezpiecznie czyścić auto, unikając zarysowań lakieru. Praktyczne wskazówki dla każdego kierowcy.

Porównanie szczotek alternatora Valeo i Bosch. Dowiedz się, jak wybrać najlepsze szczotki do Twojego pojazdu, uwzględniając jakość, trwałość i wydajność. Eksperci radzą!

Wszystko, co musisz wiedzieć na temat prawidłowego czyszczenia zaworów - poznaj najskuteczniejsze metody, zrozum znaczenie tego procesu oraz poznaj krok po kroku procedurę czyszczenia. Dowiedz się, jak zadbać o wydajność i trwałość swojego silnika lub urządzeń przemysłowych.

Sprawdź, czy szampon z woskiem skutecznie chroni lakier Twojego auta. Porównujemy 5 popularnych marek, analizując ich efektywność i trwałość. Dowiedz się, który produkt najlepiej zadba o Twój samochód.

Odkryj 5 ukrytych wad sprzęgła hydraulicznego, które mogą wpłynąć na Twój portfel i komfort jazdy. Poznaj schemat działania i zaskakujące fakty o tym popularnym rozwiązaniu.

Poznaj 5 skutecznych trików z użyciem sprayu do uszczelek, które uchronią Twoje auto przed korozją. Dowiedz się, jak prawidłowo stosować spray i zabezpieczyć kluczowe elementy samochodu przed rdzą.

Poznaj budowę skrzyni automatycznej i jej najważniejsze elementy. Dowiedz się, jak działają kluczowe komponenty oraz jak współpracują ze sobą, zapewniając płynną i komfortową jazdę.