
Sprawdź, jaka apteczka do samochodu jest niezbędna, aby ratować życie. Poznaj zawartość apteczki pierwszej pomocy i gdzie ją kupić.

Sprawdź, jaka apteczka do samochodu jest niezbędna, aby ratować życie. Poznaj zawartość apteczki pierwszej pomocy i gdzie ją kupić.

Zwiększ prześwit w samochodzie dzięki modyfikacjom zawieszenia i większym oponom. Sprawdź, jak poprawić prześwit i uniknąć kosztownych błędów.

Jak zapłacić za samochód? Poznaj bezpieczne metody płatności, kluczowe formalności oraz ważne informacje o umowie kupna-sprzedaży i podatkach.

Naucz się, jak zaprogramować pilot do samochodu. Sprawdź proste kroki, rozwiązania problemów oraz jak wymienić baterię w pilocie samochodowym.

Dowiedz się, jak wyczyścić tapicerkę w samochodzie, usunąć plamy i zadbać o jej pielęgnację. Sprawdź skuteczne środki do czyszczenia tapicerki!

Dowiedz się, jak wyczyścić lampy w samochodzie od środka, by poprawić widoczność. Poznaj skuteczne metody i domowe sposoby na czyszczenie lamp.

Dowiedz się, jak usunąć rdzę z samochodu domowymi i profesjonalnymi metodami. Skuteczne sposoby na korozję oraz porady, jak zabezpieczyć auto przed jej powrotem.

Dowiedz się, jak usunąć duże wgniecenie w samochodzie skutecznie i tanio. Poznaj metody PDR, tradycyjne naprawy oraz domowe sposoby na naprawę karoserii.

Dowiedz się, jak rozruszać zamek w samochodzie – sprawdzone metody na zablokowany zamek, użycie WD-40, ogrzewanie klucza i pomoc mechanika.

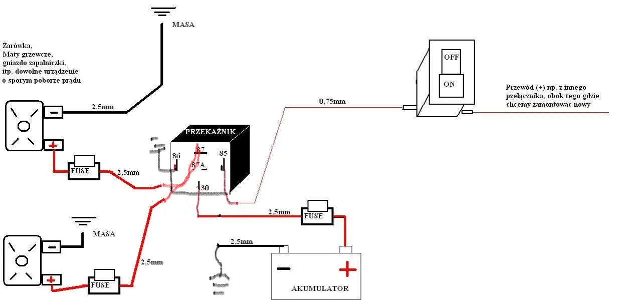
Dowiedz się, jak podłączyć halogeny w samochodzie krok po kroku. Bezpieczne montowanie, schematy podłączenia i unikanie błędów – wszystko w jednym miejscu.

Naucz się, jak odpalić samochód z popychu i uniknąć problemów z akumulatorem. Sprawdź instrukcje, porady oraz alternatywne metody uruchamiania auta.

Dowiedz się, jak myć samochód z powłoką ceramiczną, aby uniknąć uszkodzeń. Poznaj najlepsze środki, techniki i porady dotyczące pielęgnacji powłoki ceramicznej.

Dowiedz się, jak hamować, żeby samochód nie zgasł. Proste techniki hamowania na wzniesieniach i płaskiej nawierzchni dla początkujących kierowców.

Dowiedz się, jak dostać dofinansowanie na samochód, uniknąć błędów i skorzystać z programów wsparcia. Sprawdź wymagania i kroki, aby uzyskać dotację na auto.

Dowiedz się, jak dobrze umyć samochód na myjni bez uszkodzeń i błędów. Praktyczne porady, jak dbać o lakier i unikać rys podczas mycia auta.

Ile zarabia wypożyczalnia samochodów? Poznaj zaskakujące fakty o zarobkach, zyskach z wynajmu luksusowych aut i średnich przychodach w Polsce.

Ile trwa ładowanie samochodu elektrycznego w domu? Sprawdź, jak czas ładowania zależy od mocy ładowarki, pojemności baterii i warunków zewnętrznych. Dowiedz się więcej!

Ile płacą za samochód na złomie? Sprawdź aktualne stawki za złomowanie auta, dowiedz się, co wpływa na wycenę i jak zwiększyć zysk. Wszystko w jednym miejscu!

Ile na przerejestrowanie samochodu? Sprawdź dokumenty, opłaty i terminy, aby uniknąć kosztownych błędów i zarejestrować auto bez problemów.

Masz 30 dni na zgłoszenie sprzedaży samochodu. Dowiedz się, jakie są obowiązki sprzedającego i jak zgłosić sprzedaż krok po kroku.

Ile kosztuje ładowanie samochodu elektrycznego w domu? Sprawdź, jak obliczyć koszty, oszczędzać na taryfach i porównaj z ładowaniem publicznym.

Ile kosztuje wymiana tapicerki w samochodzie? Sprawdź średnie ceny za fotel, porównaj materiały i dowiedz się, jak uniknąć przepłacania.

Ile kosztuje wymiana silnika w samochodzie? Sprawdź ceny, czynniki wpływające na koszt oraz porady dotyczące warsztatów samochodowych.

Dowiedz się, ile kosztuje ubezpieczenie samochodu dla 18-latka i jak obniżyć cenę polisy. Sprawdź czynniki wpływające na koszt oraz porównaj oferty ubezpieczycieli.

Ile kosztuje rejestracja samochodu z zagranicy? Sprawdź koszty, opłaty oraz dokumenty potrzebne do rejestracji auta z UE i uniknij ukrytych wydatków!